< img height="1" width="1" style="display:none" src="https://www.facebook.com/tr?id=1108814164100839&ev=PageView&noscript=1" />

10-500KG反應釜稱重模塊

2017-04-11 08:45:28 glzon

合金鋼結構/不銹鋼結構(可選);使用懸臂梁CA-MTB稱重傳感器;可應用于惡劣工業環境;適用于罐裝秤、皮帶秤和配料秤等;

Features 主要特點

●  Alloy steel construction / stainless steel construction (option)
●  CA-MTB(single ended shear beam stainless steel load cell) installed
●  Use in tough industrial environment
●  Suitable for tank-packing scales, belt scales and batching systems, etc

●  合金鋼結構/不銹鋼結構(可選)
●  使用懸臂梁CA-MTB不銹鋼傳感器
●  可應用于惡劣工業環境
●  適用于罐裝秤、皮帶秤和配料秤等

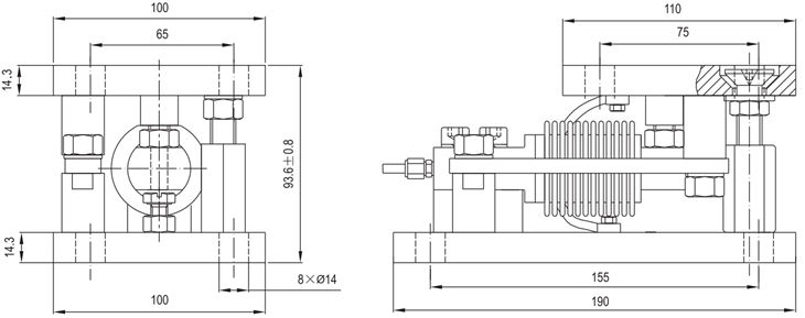
Dimension 尺寸(可替代HBM Z6/M 稱重模塊)
化工灌裝機,200L灌裝機,涂料油漆灌裝機,潤滑油灌裝機
化工灌裝機,200L灌裝機,涂料油漆灌裝機,潤滑油灌裝機
Specification 技術參數

Capacities

量程

10kg 20kg 30kg 50kg 100kg 200kg 300kg 500kg

Rated Output

額定輸出

2.0mV/V ±0.1%

Zero Balance

零點平衡

±1% of rated output

Creep after 30 minutes

蠕變

±0.03% of rated output

Nonlinearity

非線性

±0.03% of rated output

Hysteresis

滯后

±0.03% of rated output

Repeatability

重復性

±0.03% of rated output

Temp. effect on output

靈敏度溫漂

≤0.002% of applied output/?C

Temp. effect on zero

零點溫漂

≤0.002% of rated output/?C

Safe Temp. Range

可用溫度范圍

-10?C to + 70?C

Temp. Compensated

溫度補償范圍

-10?C to + 40?C

Safe Overload

安全載荷

150%

Input Impedance

輸入阻抗

387 ohm ± 20 ohm

Output Impedance

輸出阻抗

350 ohm ± 5 ohm

Insulation Resistance

jue緣阻抗

≥5000 M ohm (50V DC)

Rated Excitation

推薦激勵電壓

10V DC/AC

Maximum Excitation

zui大激勵電壓

15V DC/AC

Cable Length

導線長度

3m

Cable Color Code

導線顏色

Red(+E) Black(-E) Green(+S) White(-S)

上海廣志儀器廠家制造銷售;

廠家交流熱線:021-60518387,手機:13701933542

聯系我們,我們將為您解決行業中所遇見的難題!

上海廣志灌裝機廠家為客戶提供灌裝機的常見問題,更多資訊請撥打021-60518387

久久青青草原国产精品免费