進口大噸位稱重模塊DSB-B
合金鋼結構;可直接安裝在地上或者基礎結構上;使用雙剪切梁CA-QSB傳感器;適用于倉儲秤和配料秤等;
Features 主要特點
● Alloy steel construction throughout
● Mounts to floor or structural support directly
● CA-QSB(double ended shear beam load cell) installed
● Suitable for warehouse & inventory monitoring and batching systems, etc
● 合金鋼結構
● 可直接安裝在地上或者基礎結構上
● 使用雙剪切梁CA-QSB傳感器
● 適用于倉儲秤和配料秤等
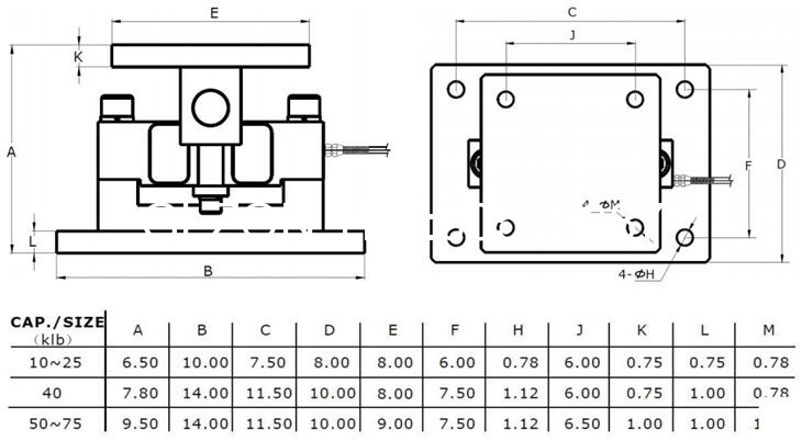
Dimension 尺寸


Specification 技術參數
Rated Output | 額定輸出 | 2.0mV/V ±0.1% |
Zero Balance | 零點平衡 | ±1% of rated output |
Creep after 30 minutes | 蠕變 | ±0.03% of rated output |
Nonlinearity | 非線性 | ±0.03% of rated output |
Hysteresis | 滯后 | ±0.03% of rated output |
Repeatability | 重復性 | ±0.03% of rated output |
Temp. effect on output | 靈敏度溫漂 | ≤0.002% of applied output/?C |
Temp. effect on zero | 零點溫漂 | ≤0.002% of rated output/?C |
Safe Temp. Range | 可用溫度范圍 | -30?C to + 70?C |
Temp. Compensated | 溫度補償范圍 | -30?C to + 40?C |
Safe Overload | 安全載荷 | 150% |
Input Impedance | 輸入阻抗 | 387 ohm ± 20 ohm |
Output Impedance | 輸出阻抗 | 350 ohm ± 5 ohm |
Insulation Resistance | jue緣阻抗 | ≥5000 M ohm (50V DC) |
Rated Excitation | 推薦激勵電壓 | 10V DC/AC |
Maximum Excitation | zui大激勵電壓 | 15V DC/AC |
Cable Length | 導線長度 | 12m |
Cable Color Code | 導線顏色 | Red(+E) Black(-E) Green(+S) White(-S) |
上海廣志自動化設備是專業生產稱重傳感器的廠家,歡迎廣大客戶前來咨詢,電話021-60518382
上海廣志自動化設備是專業生產稱重傳感器的廠家,歡迎廣大客戶前來咨詢,電話021-60518382
上海廣志自動化設備是專業生產稱重傳感器的廠家,歡迎廣大客戶前來咨詢,電話021-60518382