BS-CW 動載稱重模塊 0.5-10噸動載稱重模塊 針對有沖擊力場合的稱重,我公司在BS-CW 靜載稱重模塊基礎上作了專門設計,在全浮動模塊基礎上,在3個方向做了水平限位,確保在水平沖擊時的秤體在yi定的范圍內活動,確保傳感器受力傳遞的準確性,從而確保稱量準確性,可以用于輥道、流水線、帶攪拌的反應釜等的稱重。


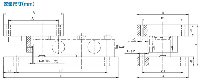
量程 | L | L1 | L2 | A | A1 | B | B1 | C | C1 | H | H1 | H2 | D | G | P |
0.5~3t | 286 | 32 | 226 | 150 | 124 | 128 | 102 | 112 | 80 | 102 | 28 | 23 | 1.6 | M10 | ?13 |
5, 7.5t | 317.5 | 32 | 257 | 178 | 146 | 152 | 120 | 152 | 102 | 130 | 38 | 30 | 1.6 | M16 | ?17 |
10t | 360 | 32 | 295 | 184 | 152 | 154 | 122 | 154 | 106 | 168 | 45 | 45 | 3 | M20 | ?21 |
組合方式:
在yi個稱重系統中,標準組合為:
l 四件套:四套動載模塊,yi般矩形安裝;
l 三件套:三套動載模塊,圓形料斗,徑向或切向安裝。

上海廣志自動化設備是專業生產稱重傳感器的廠家,歡迎廣大客戶前來咨詢,電話021-60518382
上海廣志自動化設備是專業生產稱重傳感器的廠家,歡迎廣大客戶前來咨詢,電話021-60518382
上海廣志自動化設備是專業生產稱重傳感器的廠家,歡迎廣大客戶前來咨詢,電話021-60518382