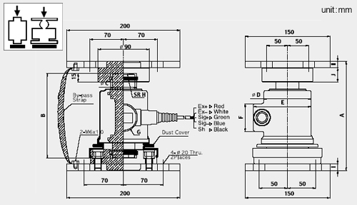
進口WBK 汽車衡傳感器 (10t~50t)
* OIML C3 認證 (OIML R60)
* 傳感器線接口處橡膠密封保護
* Exia IIC T5 認證
* 防護等級:IP68
可選配件:上下壓板(稱重模塊),方便安裝使用。
適用于:平臺秤、料罐、汽車衡

上海廣志自動化設備是專業生產稱重傳感器的廠家,歡迎廣大客戶前來咨詢,電話021-60518382
上海廣志自動化設備是專業生產稱重傳感器的廠家,歡迎廣大客戶前來咨詢,電話021-60518382
上海廣志自動化設備是專業生產稱重傳感器的廠家,歡迎廣大客戶前來咨詢,電話021-60518382