CAS HBS loadcells (10kg-500kg)
CAS HBS loadcells (10kg-500kg)HBS bending beam load cell?models: HBS-10L, HBS-20L, HBS-50L, HBS-100L, HBS-200L, HBS-500L, HBS-1, HBS-2⊙FEATURESAll stainless steel constructionOIML C3 approvedEx i
- Brand: CAS
- Model: HBS
CAS HBS loadcells (10kg-500kg)HBS bending beam load cell?models: HBS-10L, HBS-20L, HBS-50L, HBS-100L, HBS-200L, HBS-500L, HBS-1, HBS-2⊙FEATURESAll stainless steel constructionOIML C3 approvedEx i
CAS HBS loadcells (10kg-500kg)
CAS load cell, HBS bending beam load cell models: HBS-10L, HBS-20L, HBS-50L, HBS-100L, HBS-200L, HBS-500L, HBS-1, HBS-2
⊙FEATURES
All stainless steel construction
OIML C3 approved
Ex ia IIC T6 approved
Protection class IP67
⊙OPTIONS
OIML C3 approved
⊙Material
Stainless steel
⊙Mounting
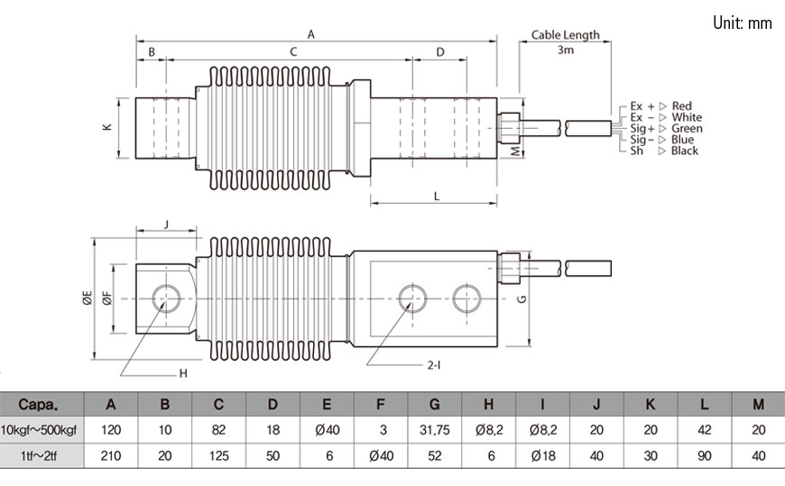
Socket-head cap screw M8 1.25(10.9)
Tightening torque: 29Nm
⊙Cable
Braided Shield 4-wire round cable with Urethane-Jacket
| Max. capacity | kgf | 10, 20, 50, 100, 200, 500, 1000, 2000 | |
| Rated output Zoro balance | mV/ V mV/ V | 2.0 ± 0.005 0 ± 0.02 | |
| Accuracy class | D3 | C3 | |
| Combined error Repeatability Creep for 30min. Temperature effect on Zero Value Output value | % % % %/ 10℃ %/ 10℃ | 0.03 0.01 0.03 0.028 0.015 | 0.02 0.01 0.017 0.014 0.011 |
| Excitation Recommended Maximum Resistance Input Output Insulation | V V Ω Ω MΩ | 10 15 400 ± 20 350 ± 3.5 >2,000 | |
| Compensated temperature range Operating temperature range | ℃ ℃ | -10 to +40 -30 to +80 | |
![1491815383594932.jpg HBS[2].jpg](../upload/201704/1491815383594932.jpg)
CONTACT US
Skype: fayfaywang1027
QQ: 429682794
Whatsapp: 008618016442021
E-mail: glzoncn@163.com
https://glzon.en.alibaba.com/
cel: +0086 18016442021