CAS BCH loadcells (500kgf-2.5tf)

CAS BCH loadcells (500kgf-2.5tf)CAS load cell,?BCH Single point bench scale. platform scale load cell models: BCH-500L BCH-1, BCH-1.5, BCH-2, BCH-2.5T.⊙FEATURESProtection class IP65Large platform

  • Brand: CAS
  • Model: BCH

CAS BCH loadcells (500kgf-2.5tf)

CAS load cell, CAS load cell, BCH Single point bench scale. platform scale load cell models: BCH-500L BCH-1, BCH-1.5, BCH-2, BCH-2.5T.

⊙FEATURES
Protection class IP65
Large platform application
Off center compensated

⊙Material
Anodized Aluminum

⊙Mounting
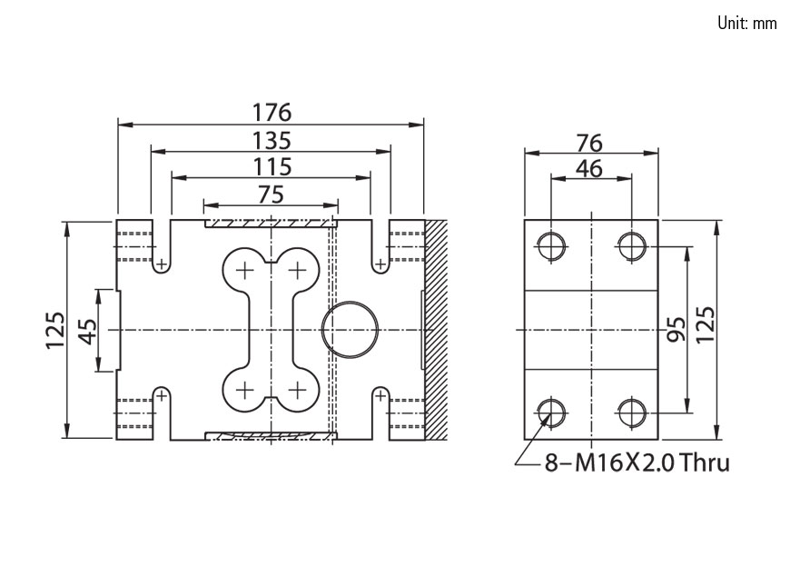
Bolt M16 2.0(10.9)
Tightening torque: 255Nm

⊙Cable
Braided Shield 4-wire round cable with Urethane-Jacket

⊙Maximum Platform Size
1200 x 1200mm

ModelBCH
Rated Capacity (kgf)500, 1K, 1.5K, 2K, 2.5K
Accuracy Class-
Combined Error (% R.O)≤0.03
Creep for 30 min. (% R.O)≤0.03
ExcitationRecommended (V)10
Maximum (V)15
Compensated Temerature Range(?C)-10~+40
Operating Temperature Range(?C)-20~+70
Material & PlateAnodized Aluminum

BCH[2].jpg

CONTACT US

Skype: fayfaywang1027

QQ: 429682794

Whatsapp: 008618016442021

E-mail: glzoncn@163.com

https://glzon.en.alibaba.com/

cel: +0086 18016442021

久久青青草原国产精品免费